
Auto-Diebstahlsicherung mit Fahrtüchtigkeitstester
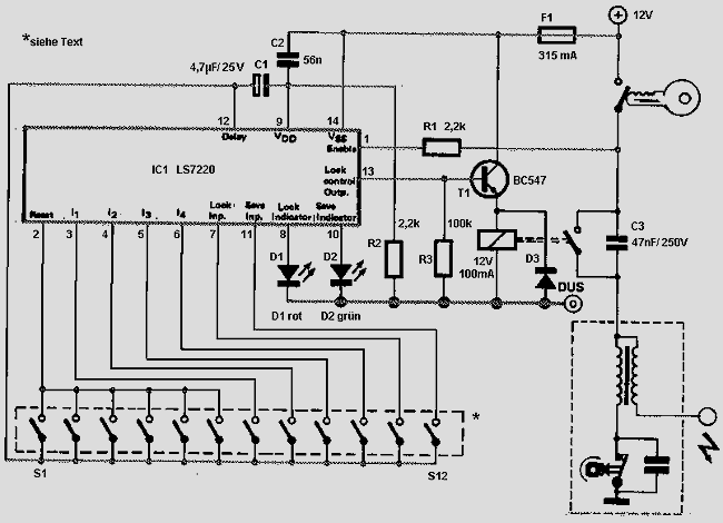
Diese Codeschloss ist besonders einfach aufgebaut, da hier ein speziell für diesen Zweck entwickeltes IC verwendet wird. Es eignet sich sehr gut für den Einsatz in Autos und kann dort zwei Aufgaben erfüllen. Zum einen arbeitet die Schaltung als Diebstahlsicherung. Und zum anderen als Fahrtüchtigkeitstester. Hat man nämlich einmal zu tief ins Glas geschaut, dann wird es einem nicht mehr so leicht fallen, den Geheimcode der Schaltung zu knacken und auf einem Tastenfeld einzugeben. Solange die richtige Eingabe nicht erfolgt ist, lässt sich das Auto nicht starten.
Die Schaltung besteht, was die Elektronik betrifft, aus einem speziellen IC, dem LS7220, das direkt aus dem Bordnetz versorgt wird. Der Enable-Eingang dieses lCs ist über einen Widerstand mit dem Zündschloss des Autos verbunden. Und der "Lock Control"-Ausgang steuert über einen Transistor ein Relais, dessen Schaltkontakt im Stromkreis des Unterbrechers liegt. Ein 12stelliges Tastenfeld dient zur Eingabe des Codes.
Nach dem Einsteigen braucht der Fahrer nur den Zündschlüssel zu drehen, und das elektronische Schloss wird über den Enable-Eingang aktiviert. Der "Lock Control"-Ausgang ist allerdings noch "0", so dass das Auto noch nicht gestartet wird. Erst, wenn der Fahrer die mit den Pins 11, 12, 13 und 14 verbundenen Tasten in dieser Reihenfolge betätigt, dann wird der Transistor Tl und damit auch das Relais eingeschaltet. Man kann das Auto starten. Zum Zeichen, dass der richtige Code eingegeben wurde und das Relais angezogen hat, erlischt die rote LED Dl. Im verriegelten Zustand des Schlosses wird diese LED ständig brennen (zumindest, wenn der Enable-Eingang "1" ist). Werden die Tasten in verkehrter Reihenfolge betätigt (das gilt auch für die mit den Reset-Anschlüssen verbundenen Tasten), dann wird das Relais nicht anziehen, und nach Betätigung der "falschen" Taste muss man den vollständigen Code erneut eingeben.
Nach abziehen des Zündschlüssels (Unterbrechung des Zündkontakts) wird nach etwa 10 Sekunden das Relais abfallen. Danach ist es unmöglich, das Auto zu starten, wenn man den Code nicht kennt (und den Zündschlüssel nicht besitzt). Auf dem Tastenfeld befinden sich weitere zwei Tasten mit speziellen Funktionen. Die Save-Taste dient der "Speicherung" des eingegebenen Codes. Möchte man beispielsweise kurz anhalten und aussteigen, dann kann Save-Taste (S12) gedrückt und anschliessend der Motor abgestellt werden. Die Ziffernkombination wird gspeichert und die grüne LED D2 leuchtet auf. Soll das Auto nach dem Einsteigen wieder gestartet werden, dann braucht man nur, ohne den Code erneut einzugeben, den Zündschlüssel zu drehen. Der Save-Betrieb kann dadurch wieder aufgehoben werden, wenn man die Lock-Taste S11 betätigt.
Die eingebaute Verzögerung beim Ausschalten ist nicht nur nützlich, sondern auch notwendig. Wird der Motor nämlich einmal "abgewürgt", oder braucht man mehrere Startversuche, dann reicht die Verzögerungszeit für einen erneuten Start aus. Jedes mal, wenn der Zündschlüssel zurück gedreht wird (also nach jedem Startversuch), dauert es etwa 10 Sekunden, bis das Codeschloss wieder anspricht. Die Verzögerungszeit wird durch den Wert von C1 festgelegt.
Das Tastenfeld kann man aus Einzeltasten herstellen oder wahlweise ein fertiges Tastenfeld einsetzen. Der Geheimcode wird dadurch festgelegt, dass die vier gewünschten Tasten in der entsprechenden Reihenfolge mit den Pins 3.. .7 des IC verbunden werden. Zwei Tasten schliesst man an die Lock- und Save-Eingänge an, und die restlichen Tasten werden an die Reset-Anschlüsse gelegt. Da der Relaiskontakt den Strom nach Zündspule und Unterbrecher schalten muss, nimmt man für das Relais am besten einen kräftigen Typ, wie er in der KFZ-Elektrik verwendet wird (maximaler Strom etwa 5 A).
Download Schaltplan | Auto finanzieren