Menu
Kategorien
Alarm fürs Autoradio – FC0166
21. Januar 2017 BLINK-/ ALARM-SCHALTUNGEN
Alarm fürs Autoradio

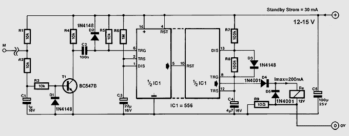
Bei dieser Schaltung wird es ein Dieb schwer haben, das Radio aus dem Auto zu klauen. Wenn er versucht das Autoradio aus der Halterung zu nehmen geht der Alarm sofort los. An der Rückseite des Radios ist ein zusätzlicher Massedraht (M) angebracht, der es in sich hat. Wird diese Verbindung unterbrochen, ertönt sofort das Alarmsignal. Die Basis von Transistor T1 wird über diesen Verbindungspunkt angesteuert. Liegt "M" an Masse, sperrt T1. Ist Punkt "M" abgetrennt, liegt die Versorgungsspannung von 12 V an der T1-Basis, der Transistor leitet. Kondensator C1 und Diode D1 dienen der Entstörung und zum Schutz des Transistors. Über C2 gelangt das Unterbrechungssignal auf den Triggereingang eines Timers in IC1. Das IC enthält zwei Timer NE 555.


Der erste Timer ist als monostabiler Multivibrator geschaltet und auf eine Zeitdauer von etwa 30 Sekunden dimensioniert. Der zweite Timer ist als astabiler Multivibrator geschaltet. Ausgang Timer 1 und Reset-Eingang Timer 2 sind verbunden. Widerstand R7 und R8 sowie Kondensator C4 bestimmen die Frequenz des AMV (0,5 Hz). Diode D3 sorgt für das Impuls-/Pausenverhältnis von ungefähr 50%. Der Ausgang des Timers 2 steuert direkt ein Relais an, das mit seinen Kontakten dann eine Hupe ertönen lässt. Nach etwa 30 Sekunden fällt Timer 1 aus, damit hört auch der Alarm auf.

Download Schaltplan


 
Schreibe einen Kommentar
*