
Notbeleuchtung bei Stromausfall
Diese Schaltung hat ein Freund zusammen mit mir entwickelt, weil es bei einem eventuellen Stromausfall bei mir immer extrem dunkel wird, da zuwenig Fenster vorhanden sind, in die dann wenigstens das Mondlicht scheinen kann um sich wenigstens soweit orientieren zu können, bis man die Taschenlampe gefunden hat. Die Anlage arbeitet mit 15V= Eingangsspannung und puffert einen 12V Akku mit einer Kapazität von 20Ah. Mit wenigen Mikroampere wird der Akku das ganze Jahr über in Bereitschaft gehalten, d.h. die Selbstentladung wird ausgeglichen. Fällt die Netzspannung aus, fällt K1 ab und die 12V Beleuchtung wird eingeschaltet. Nach dem Wiederkehren der Netzspannung schaltet K1 die Notbeleuchtung wieder aus und die Schaltung kümmert sich wieder um den Ladezustand des Akkus. Am besten eignet sich dazu ein Blei-Gel-Akku. Die rote LED signalisiert den Betrieb der Schaltung, die gelbe LED signalisiert: Notbeleuchtung ist eingeschaltet. Der Transistor TIP111 muss auf einen Kühlkörper montiert werden.

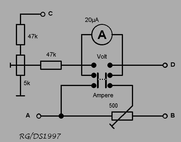
Diese Zusatzschaltung erlaubt eine genaue Kontrolle über den Ladezustand des Akkus. Mit dem Schalter kann man zwischen Spannungs- und Stromanzeige umschalten. Mit dem Poti kann die Anzeige im Amperebereich genau abgeglichen werden.